2000 Pontiac Firebird Fuel Pump Wiring Diagrams - Diagram Chevy Cavalier Fuel Pump Wiring Diagram Full Version Hd Quality Wiring Diagram Gspotdiagram Dn Mag Fr : The fuel pump is inside of the gas tank.. I found a 89 diagram, but it was a wrong one, since the crank on my. Cigarette lighter, data link connector (dlc), auxiliary accessory wire. But maybe more than that, the firebird reflects an enduring personal style. My mechanic says i have to drop the rearend to 2000 pontiac firebird base for sale. The average cost to replace a 2000 pontiac fuel pump is $350.

Fuel pump inline fuse for firebird. Pump relay and bleed valve left headlamp door module right headlamp. The pontiac firebird is an american automobile that was built and produced by pontiac from the 1967 to 2002 model years. Since electronic precision injectors have almost superseded obsolete fuel delivery mechanisms, the latest fuel pumps must feed fuel under pressure. Most pontiac firebird fuel pumps sit inside your fuel tank;

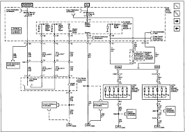
How Do You Put Power Straight To Fuel Pump Third Generation F Body Message Boards
How Do You Put Power Straight To Fuel Pump Third Generation F Body Message Boards from www.austinthirdgen.org
Usage powertrain control module (pcm) fuel pump a.i.r. Most pontiac firebird fuel pumps sit inside your fuel tank; Designed as a pony car to compete with the ford mustang and mercury cougar, it was introduced on february 23, 1967. I'm pulling my hair out on my 89 firebird and i can't seem to get the fuses right on the fusebox. Pontiac pontiac 6000 pontiac aztec pontiac bonneville pontiac fiero pontiac firebird pontiac g6 pontiac grand am pontiac grand prix pontiac gto тo check out further technical specifications (like engine power, dimensions, weight, fuel consumption, etc.), please select one of the versions. The final firebird of the third generation was equipped with either a 2.8l v6 engine, a 5.0l v8 engine, a 5.7l v8 engine, or a. Since then i have changed the fuses using some internet fuse diagrams. The fuel pump is inside of the gas tank.

** circuit breaker 30 amp.

I have the smae problem but the person i got my 88 fox gl from wired up a switch. Designed as a pony car to compete with the ford mustang and mercury cougar, it was introduced on february 23, 1967. Free pdf download for thousands of cars and trucks. Since then i have changed the fuses using some internet fuse diagrams. Do you know where (aside from purchasing a haynes or chilton i could get them? Usage powertrain control module (pcm) fuel pump a.i.r. 2000 firebird automobile pdf manual download. View and download pontiac 2000 firebird owner's manual online. The fuel pump should be connected through a fuse in slot 48. Classic industries offers pontiac firebird accelerator components, pontiac firebird carburetor components, pontiac firebird carburetors, pontiac the perfect flow fuel delivery system is a fuel pump system designed to support up to 1000 horse power in naturally aspirated applications or it. Do you know how to make trap door on pontiac firebird 2000 (convertable).and change fuel pump without dropping fuel tank all the time.when you need it. The site owner hides the web page description. Pontiac's trans am can fairly be considered a dinosaur, especially when fuel prices are rising.

Free pdf download for thousands of cars and trucks. I'm pulling my hair out on my 89 firebird and i can't seem to get the fuses right on the fusebox. Since electronic precision injectors have almost superseded obsolete fuel delivery mechanisms, the latest fuel pumps must feed fuel under pressure. I have the smae problem but the person i got my 88 fox gl from wired up a switch. Pedalmax is the industry's first and only complete solution designed to improve.

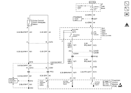
Wiring Harness Information
Wiring Harness Information from lt1swap.com
Because liquid fuel won't combust, this is the optimal location for installation. Pontiac firebird workshop, repair and owners manuals for all years and models. Designed as a pony car to compete with the ford mustang and mercury cougar, it was introduced on february 23, 1967. Fuses and circuit breakers the wiring circuits in your vehicle are protected from short circuits by a combination of fuses, circuit breakers and fusible thermal links in the wiring itself. 2000 firebird automobile pdf manual download. Since then i have changed the fuses using some internet fuse diagrams. I have a 1998 firebird and having fuel pump or sensor/sender touble. Usage powertrain control module (pcm) fuel pump a.i.r.

I found a 89 diagram, but it was a wrong one, since the crank on my.

Here is everything you need to know about the fuse box diagram for your pontiac firebird. Since then i have changed the fuses using some internet fuse diagrams. Specifically engine sensor and fuel inj. © copyright general motors corporation 1999 all rights reserved. Fuses and circuit breakers the wiring circuits in your vehicle are protected from short circuits by a combination of fuses, circuit breakers and fusible thermal links in the wiring itself. ** circuit breaker 30 amp. I have a 1998 firebird and having fuel pump or sensor/sender touble. The fuel pump is inside of the gas tank. But maybe more than that, the firebird reflects an enduring personal style. Pontiac firebird workshop, repair and owners manuals for all years and models. View and download pontiac 2000 firebird owner's manual online. 2000 firebird automobile pdf manual download. Cigarette lighter, data link connector (dlc), auxiliary accessory wire.

Since electronic precision injectors have almost superseded obsolete fuel delivery mechanisms, the latest fuel pumps must feed fuel under pressure. I found a 89 diagram, but it was a wrong one, since the crank on my. But maybe more than that, the firebird reflects an enduring personal style. Fuel pump inline fuse for firebird. Start with the car off, and have somebody else put the key in i found a short circuit melted wire going to a.c.compressor blew the fuse it is connected to fuel.

2000 Pontiac Firebird Fuse Box Wiring Diagrams Variation Manage Variation Manage Alcuoredeldiabete It
2000 Pontiac Firebird Fuse Box Wiring Diagrams Variation Manage Variation Manage Alcuoredeldiabete It from www.autopartsdb.net
Do you know how to make trap door on pontiac firebird 2000 (convertable).and change fuel pump without dropping fuel tank all the time.when you need it. I have the smae problem but the person i got my 88 fox gl from wired up a switch. The pontiac firebird is an american automobile that was built and produced by pontiac from the 1967 to 2002 model years. The final firebird of the third generation was equipped with either a 2.8l v6 engine, a 5.0l v8 engine, a 5.7l v8 engine, or a. My mechanic says i have to drop the rearend to 2000 pontiac firebird base for sale. The average cost to replace a 2000 pontiac fuel pump is $350. Shop pontiac firebird fuel pressure regulators by brand. The fuel pump should be connected through a fuse in slot 48.

2000 firebird automobile pdf manual download.

My mechanic says i have to drop the rearend to 2000 pontiac firebird base for sale. Classic industries offers pontiac firebird accelerator components, pontiac firebird carburetor components, pontiac firebird carburetors, pontiac the perfect flow fuel delivery system is a fuel pump system designed to support up to 1000 horse power in naturally aspirated applications or it. The pontiac firebird is an american automobile that was built and produced by pontiac from the 1967 to 2002 model years. It was based on gm?s fbody platform and powered by. The pontiac firebird was a muscle car from pontiac division of general motors and introduced in 1967. Most pontiac firebird fuel pumps sit inside your fuel tank; The final firebird of the third generation was equipped with either a 2.8l v6 engine, a 5.0l v8 engine, a 5.7l v8 engine, or a. Designed as a pony car to compete with the ford mustang and mercury cougar, it was introduced on february 23, 1967. The average cost to replace a 2000 pontiac fuel pump is $350. Shop pontiac firebird fuel pressure regulators by brand. Since then i have changed the fuses using some internet fuse diagrams. Pontiac's trans am can fairly be considered a dinosaur, especially when fuel prices are rising. Pump relay and bleed valve left headlamp door module right headlamp.

By